
說到輕觸開關,我們都知道這是一款常用的電子元器件,不僅有接觸電阻荷小、精確的操作力誤差,還有規格多樣化等方面的優勢,因此在電子設備及白色家電等方面得到廣泛的應用。例如安防產品、玩具、電腦產品、健身器材、醫療器材、影音產品、數碼產品、遙控器、通訊產品、家用電器、驗鈔筆、雷射筆按鍵等等。因為輕觸開關對環境的條件大型設備及高負荷的按鈕都使用導電橡膠或鍋仔開關五金彈片直接來代替,比如醫療器材、電視機遙控器等。輕觸開關主要規格有:環保耐高溫、貼片式、插件式、側插式 、大/中/小龜型輕觸開關、2×4輕觸開關、3×3輕觸開關、3.7×3.7×0.35進品輕觸開關 、4×4×1.5/1.6/17mm輕觸開關 、3×6×4.3/5.0mm汽車輕觸開關、4×6×2.6輕觸開關、4.5×4.5×3.8/4.8/5/0/6/7/8/9貼片輕觸開關、插件式輕觸開關、邊三解輕觸開關 、貼片輕觸開關、插件輕觸開關 、防水輕觸開關6×6系列、輕觸開關7.2×7.2、防水輕觸開關 8×8系列、防水輕觸開關10×10系列、防水輕觸開關12×12系列等。一般不同規格尺寸的產品是不能和其它規格尺寸不同的開關替換,否則對于選擇開關的規格尺寸不符合,不但會導致影響到開關的工作性能,而且還會在開關的使用上存在很大的安全隱患等事故產生。因此若是不具備一定對開關產品知識的了解,從而很容易造成我們購置到不適用的開關。可能大家對輕觸開關7.2×7.2等產品的規格型號等參數柄不怎么了解,那么下面小編主要為大家詳細介紹關于輕觸開關7.2×7.2功能特點解析及產品用途解說。
(1)輕觸開關7.2×7.2_TS-1119D
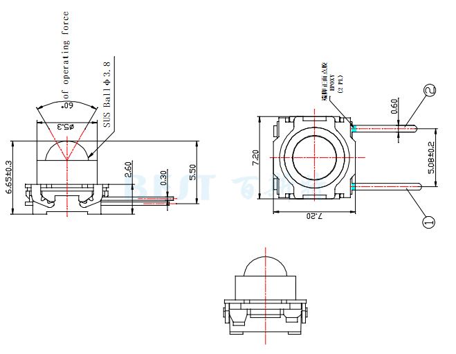
輕觸開關7.2×7.2_TS-11119D_產品簡介:
TS-1119D輕觸開關尺寸為:7.2mm×7.2mm的插件開關。而且輕觸開關TS-1119D系列為最新一款防水按鍵開關,目前主要針對智能馬桶蓋等行業廣泛使用。
輕觸開關7.2×7.2_TS-1119D_技術參數:
額定電負荷:DC12V 50MA
接觸電阻:≤100Ω
絕緣電阻:≥100MΩ
驅動力:250±50GF
輕觸開關壽命:50000次
行程:0.25mm±0.1mm
輕觸開關7.2×7.2_TS-1101E_參考圖紙:
(2)輕觸開關7.2×7.2_TS-6004A
輕觸開關7.2×7.2_TS-6004A_產品簡介:
TS-6004A輕觸開關的尺寸為:長7.2mm×寬7.2mm×高6.65mm。TS-6004A輕觸開關為插件,也被叫做插件電子煙開關,為側插式開關。TS-6004A輕觸開關大量用于電子煙,在美容器械、數碼產品等行業也廣泛使用,具體產品如血壓計、按摩機、電子煙、耳機等。
輕觸開關7.2×7.2_TS-6004A_技術參數:
環境溫度:-10度~ 60度
保存溫度:-25度-70度
耐電壓:AC250V.50HZ/1min
輕觸開關壽命:100000次
驅動力:200±50GF
行程:0.55mm±0.25mm
額定電負荷:DC12V 50MA
接觸電阻:≤100Ω
絕緣電阻:≥100MΩ
輕觸開關7.2×7.2_TS-6004A_參考圖紙:
(3)輕觸開關7.2×7.2_TS-6004
輕觸開關7.2×7.2_TS-6004_產品簡介:
輕觸開關TS-6004的尺寸7.2×7.2,基座高度為4.7,總體高度為6.4,可稱四腳輕觸開關。TS-6004輕觸開關多大量使用于大功率電子煙產品上面。
輕觸開關7.2×7.2_TS-6004_技術參數:
環境溫度:-10度~ 60度
保存溫度:-25度-70度
耐電壓:AC250V.50HZ/1min
輕觸開關壽命:100000次
驅動力:200±50GF
行程:0.55mm±0.25mm
額定電負荷:DC12V 50MA
接觸電阻:≤100Ω
絕緣電阻:≥100MΩ
輕觸開關7.2×7.2_TS-6004_參考圖紙:
在這里和大家簡單分享幾個關于使用輕觸開關7.2×7.2的注意事項:因為輕觸開關是以直流的電阻負載為前提設計制造的。所以如果我們使用其它負荷,要確認好。其次使用開關時建議用于直接由人操作按開關的結構,不要用于機械性的檢測功能。輕觸開關7.2×7.2在使用時,不建議大家施加規定以上的負荷,這樣會導致開關有被損壞的可能。給輕觸開關端子進行焊接時,如果在端子上施加負荷,在使用時要注意因條件不同會有松動,變形及電特性劣化的可能。使用通孔印刷電路板及推薦以外的電路板時, 由于熱應力的影響會發生變化,所以請事先就焊接條件進行充分的確認。進行兩次焊接時,請在第一次焊接部分恢復到常溫之后再進行。連續加熱可能使外圍部變形,端子的松動,脫落及電特性降低。如果使用輕觸開關7.2×7.2的整機的周圍材料產生腐蝕性氣體,將有可能造成接觸不良等現象,建議大家多些注意。

Copyright © 廣東精密龍電子科技有限公司 版權所有 粵ICP備17035144號 粵公網安備44130202001184號
全國服務電話:0755-83205533 傳真:0755-83761155
公司地址:深圳市龍崗區龍崗大道8288號深圳大運軟件小鎮45棟2樓

